Anbu Illam di Adivaram
Ristrutturazione e risistemazione dell’area della cucina
Salem
Scarica il progetto con i costi previsti
Progetto modificato (vedi info sotto)
Allestiamo la cucina
Giorno 10
€ 21.758
La nostra visione
Creare una società giusta ed equa, basata sull’armonia e sulla fratellanza universale, in cui siano garantiti i diritti dei bambini.
Lavori in corso!
Modifiche al progetto iniziale. Dai un’occhiata sotto
Un profondo ringraziamento a tutti i nostri sostenitori.
I lavori sono iniziati. Stay tuned!
Una cucina per i ragazzi di Adivaram - Acquisto attrezzature
In attesa della fine dei lavori, allestiamo la cucina.
Servono un po’ di attrezzature per cucinare.
Don Bosco Anbu Illam, Adivaram – Salem è un’organizzazione catalizzatrice che lavora principalmente per il benessere e la protezione dei bambini fornendo riabilitazione e istruzione.
Vengono identificati i vari tipi di bambini che si trovano ad affrontare molte sfide e che sono soggetti a diversi mali sociali e ricevono le migliori cure, protezione e riabilitazione. In questo modo si realizzano i sogni di Don Bosco che ha servito i bambini e i giovani e li ha preparati ad essere un cittadino onesto e un buon essere umano nella società.
Don Bosco Anbu Illam, con sede ad Adivaram, Salem, è un’istituzione fondata nel 1998 come “Rifugio preparatorio” con l’obiettivo di fornire riabilitazione ai bambini abbandonati, dispersi, fuggitivi, vagabondi, vittime di tratta e migranti, così come altri bambini categorie di bambini a rischio. Nel corso del tempo si è evoluto in un “Luogo di festa” dove bambini e giovani potevano trascorrere del tempo con gioia, costruire relazioni sane e migliorare il proprio sostentamento.
Successivamente è stato costruito un ulteriore edificio nel campus per i campi scout, che da allora si sono svolti ininterrottamente per vari gruppi, insieme ai campi estivi organizzati al galoppo. Inoltre, gli sforzi di sensibilizzazione si estendono a varie parti di Salem, comprese le baraccopoli e i villaggi privi di strutture adeguate, dove i bambini vengono raccolti dalle baraccopoli per giochi e attività di sviluppo sportivo.Successivamente la struttura è stata trasformata in un orfanotrofio destinato agli studenti dalla 1a alla 5a elementare. Attualmente il centro gestisce due unità: una Casa dei bambini, interamente finanziata dai fondi di sostegno locali, che ospita 55 studenti che frequentano regolarmente le scuole vicine. Vengono assistiti i bambini provenienti da comunità vulnerabili, compresi i bambini di strada e in fuga, i bambini abbandonati, gli orfani, i semi-orfani, quelli suscettibili all’abuso di sostanze e ad altre forme di abuso, nonché quelli bisognosi di cure e protezione.
Per oltre 25 anni, l’istituto ha servito molti bambini fornendo strutture essenziali come cibo, alloggio, assistenza medica, istruzione, ricongiungimento familiare, servizi di consulenza, protezione dagli abusi e dal lavoro minorile e vari altri interventi necessari per il loro benessere. Inoltre, vengono condotti programmi di sensibilizzazione e viene fornito supporto per gli obiettivi di sviluppo sostenibile delle Nazioni Unite attraverso attività come parlamento infantile, eco club e altre iniziative speciali che coinvolgono i bambini.
Don Bosco Anbu Illam, Adivaram, fondato nel 1997 dai Salesiani, si erge come un faro di speranza per i bambini ai piedi di Yercaud, Salem. Dedicato a fornire assistenza, protezione ed istruzione ai bambini svantaggiati, il nostro centro è stato attivamente impegnato in varie attività volte allo sviluppo olistico e al loro progressivo e completo sviluppo.
Come nostra attività principale, gestiamo una casa per bambini, autorizzata dal governo ad ospitare fino a 40 persone in base alle strutture disponibili. Tutti gli studenti dalle classi da 1 a 8 sono iscritti a scuola e offriamo un supporto completo, tra cui istruzione, formazione professionale, alloggio e pasti, per soddisfare tutte le loro esigenze. I bambini provengono principalmente da comunità finanziariamente svantaggiate e vulnerabili, la maggior parte sono orfani o semi-orfani.
In collaborazione con il governo, gestiamo canter aperti in tre aree all’interno di Salem. Questi rifugi aperti fungono da strutture comunitarie che si rivolgono ai bambini che necessitano di sostegno residenziale a breve termine. L’obiettivo primario è salvaguardarli dagli abusi, facilitare la loro transizione dalla vita di strada o impedire loro del tutto di impegnarsi nella vita di strada.
Forniamo regolarmente sessioni di formazione professionale tra cui yoga, giochi al chiuso e all’aperto, corsi serali speciali, corsi motivazionali e scorsi per instillare disciplina, favorire l’istruzione e promuovere la responsabilità tra i bambini. Inoltre, offriamo istruzione scolastica di base e formazione superiore secondo necessità. La formazione non formale viene fornita anche attraverso le attrezzature disponibili, coprendo una serie di competenze come ciclismo, lavori di riparazione, lezioni di computer, cucito e artigianato, idraulica e altre competenze essenziali per la vita.
Conduciamo campi regolari come campi scout, campi estivi e campi di eco club. Durante questi campi, ci concentriamo sull’insegnamento dell’importanza dei valori morali e dei diritti dei bambini, nonché sull’educazione dei partecipanti sugli Obiettivi di sviluppo sostenibile delle Nazioni Unite (SDG delle Nazioni Unite). Attraverso varie attività, miriamo a diffondere questi valori e a promuoverne la continua adesione.
Sensibilizziamo attivamente la comunità di Salem sui matrimoni precoci, sulla protezione dei minori e sulle varie problematiche affrontate dai bambini. Attraverso i nostri programmi di sensibilizzazione, abbiamo avuto un impatto positivo sulla vita di molte persone istruendo le persone su queste questioni cruciali e promuovendo una maggiore comprensione delle sfide che i bambini incontrano.
Oltre alle nostre iniziative esistenti, conduciamo anche vari programmi di formazione per le donne, tra cui formazione imprenditoriale e corsi di sartoria. Indirizziamo gli abbandoni al centro Mullvadigate per continuare i loro studi. Inoltre, motiviamo gli studenti provenienti da contesti finanziariamente svantaggiati a cogliere le opportunità incoraggiandoli a iscriversi agli esami di lavoro governativi. Inoltre, forniamo coaching ai candidati che si preparano per i relativi esami.
Secondo le informazioni sopra fornite, Don Bosco Anbu Illam, Adivaram è stato fondato nel 1988, più di 20 anni fa, con strutture costruite in quel periodo. Nel corso degli anni sono state apportate diverse modifiche al centro per garantire che i servizi fossero forniti in modo standard e di alta qualità. I lavori di ristrutturazione sono stati eseguiti più volte per soddisfare le esigenze in continua evoluzione, tra cui la tinteggiatura delle pareti e l’implementazione di altre modifiche necessarie.
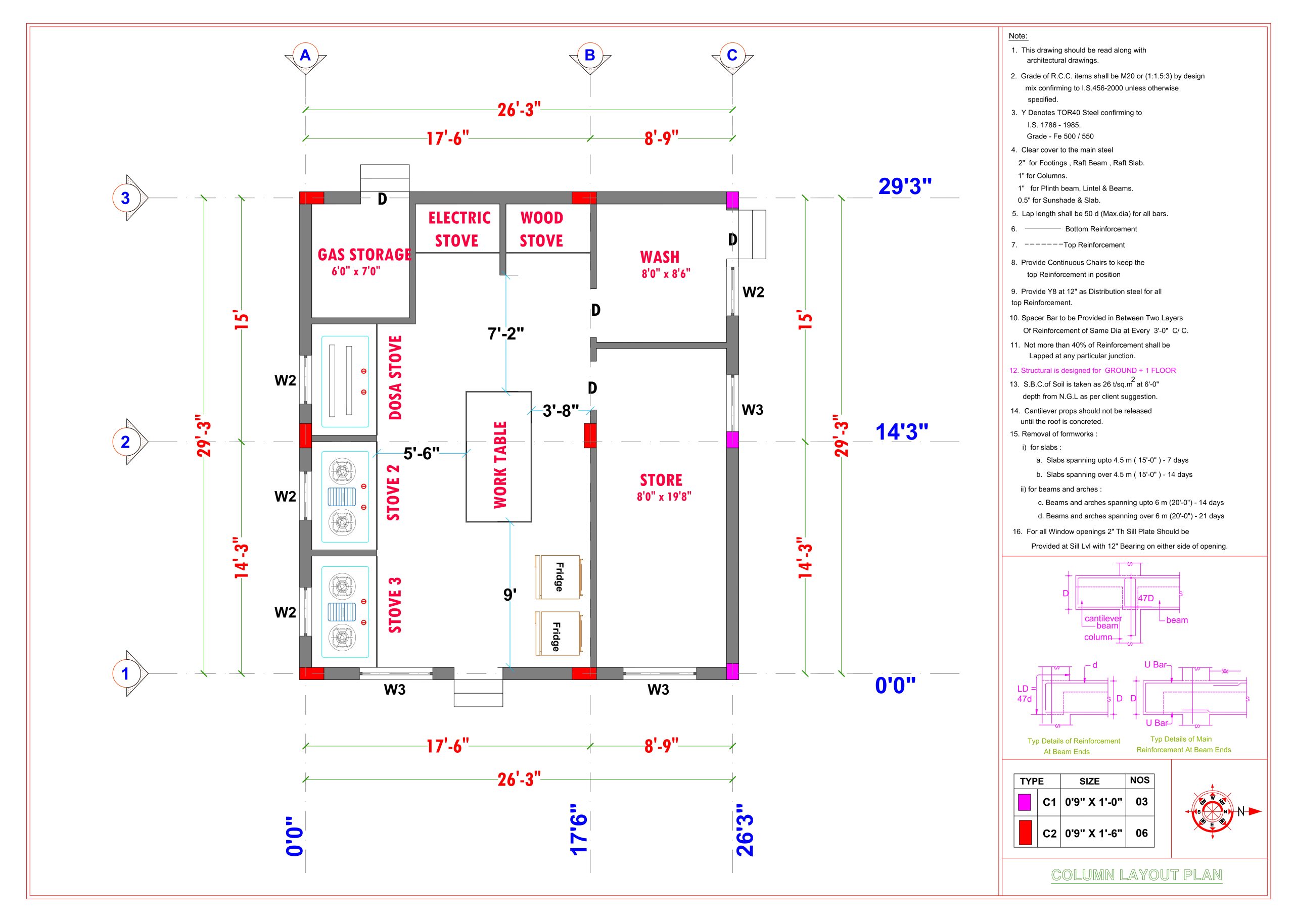
Tuttavia, attualmente è necessario riqualificare la zona cucina per diversi motivi e per la situazione della cucina attuale, descritti di seguito in dettaglio:Considerando le circostanze attuali, è imperativo affrontare le questioni urgenti che affliggono la casa dei nostri ragazzi, che funge da centro primario di attività. I funzionari governativi, incaricati di monitorare e garantire il benessere di questi bambini, effettuano ispezioni regolari per mantenere gli standard. Tuttavia, è giunto alla nostra attenzione che alcuni aspetti cruciali della nostra infrastruttura richiedono un’attenzione immediata.
Una delle principali preoccupazioni sollevate durante le ispezioni è il divieto di utilizzare lastre di amianto all’interno dei locali. Di conseguenza, ci è stato chiesto di sostituire questi materiali pericolosi con coperture in cemento per la sicurezza e il benessere dei bambini affidati alla nostra cura. Questo mandato sottolinea l’importanza fondamentale del rispetto delle normative volte a salvaguardare le popolazioni vulnerabili.
Inoltre, un’area critica di preoccupazione riguarda le nostre cucine. Nel corso del tempo, l’integrità strutturale delle pareti della cucina si è notevolmente deteriorata, rendendole instabili e soggette a crolli. L’invecchiamento delle infrastrutture non solo compromette la sicurezza del nostro personale, ma ostacola anche la nostra capacità di fornire servizi essenziali. Con aggiornamenti minimi e attrezzature obsolete a nostra disposizione, garantire la preparazione e la distribuzione igienica del cibo diventa sempre più impegnativo.
L’incapacità di modernizzare la nostra cucina, costruita due decenni fa, rappresenta un ostacolo formidabile nella nostra ricerca dell’eccellenza. Nonostante i nostri sinceri sforzi per garantire attrezzature più sicure ed efficienti, le limitazioni imposte dalle infrastrutture esistenti ostacolano il nostro progresso. Le sbarre di ferro corrose alle finestre rappresentano un grave rischio sia per il nostro personale che per i bambini affidati alle nostre cure. Tali condizioni pericolose non solo mettono a repentaglio le nostre attività, ma impediscono anche la nostra capacità di adempiere al nostro dovere di diligenza.
Purtroppo, lo stato fatiscente delle nostre cucine ha conseguenze di vasta portata, che si estendono oltre i confini della nostra istituzione. Nonostante il nostro costante impegno nell’organizzazione di campi ed eventi, la nostra incapacità di fornire pasti adeguati a causa dei limiti della cucina mina i nostri sforzi. Inoltre, la mancanza di servizi moderni all’interno delle nostre strutture ostacola la nostra capacità di ottenere i permessi e le approvazioni necessarie, inibendo così lo sviluppo olistico dei bambini affidati alle nostre cure.
Per soddisfare le rigorose normative “standard minimi di cura” stabilite dal governo, è imperativo intraprendere una trasformazione completa delle nostre strutture per cucine. Aderendo a queste norme, non solo garantiamo la conformità, ma apriamo anche strade per accogliere fino a 55 studenti nella nostra casa dei bambini (40 attuali). La ristrutturazione della nostra cucina è la chiave per rimuovere le barriere che impediscono il regolare svolgimento dei campi e degli eventi regolari. Inoltre, questa iniziativa è fondamentale nel fornire assistenza olistica ai bambini sotto la nostra tutela.
Il significato di questa trasformazione va oltre la semplice conformità; ha un impatto diretto sulla qualità e sulla quantità dei pasti che possiamo offrire sia ai visitatori del campeggio che ai nostri bambini. Con strutture migliorate, possiamo garantire la fornitura di cibo nutriente e di alta qualità, in linea con il nostro impegno per il loro benessere. Inoltre, la cucina rinnovata migliorerà notevolmente le condizioni di lavoro del nostro personale, facilitando compiti come lavare i piatti e cucinare, migliorando così l’efficienza e la produttività.
Investendo nella trasformazione della nostra cucina, non solo diamo priorità alla sicurezza e al benessere dei nostri beneficiari, ma sosteniamo anche il nostro impegno verso l’eccellenza. È attraverso tali misure proattive che possiamo garantire la qualità delle nostre infrastrutture e dei servizi che forniamo, rafforzando così la nostra posizione come faro di assistenza e supporto nella nostra comunità.
In ogni ambito della vita, l’evoluzione e l’adattamento sono indispensabili. Con il passare del tempo, i nostri piani e le nostre strutture iniziali diventano inevitabilmente obsoleti, rendendo necessari aggiornamenti e trasformazioni per stare al passo con le mutevoli circostanze. Allo stesso modo, il rinnovamento delle nostre cucine rappresenta un passo cruciale verso il progresso e l’efficacia. Con questa cucina modernizzata, siamo pronti a migliorare in modo significativo la nostra capacità operativa, per raggiungere altri 1000 bambini su base trimestrale. Questa trasformazione funge da pietra angolare per allinearsi alle normative governative e soddisfare i requisiti dello “standard minimo di cura”.
Inoltre, la cucina rinnovata non solo rafforza la nostra conformità, ma garantisce anche la sicurezza e il benessere dei nostri lavoratori e dei bambini affidati alle nostre cure. Investendo in questo aggiornamento, dimostriamo inequivocabilmente il nostro costante impegno verso l’eccellenza e il progresso. Questo sforzo non riguarda semplicemente il rispetto degli standard normativi; si tratta di creare un ambiente favorevole alla crescita, al nutrimento e alla prosperità.
Le implicazioni di questa trasformazione vanno ben oltre la semplice conformità. La trasformazione delle nostre cucine fungerà da catalizzatore per un cambiamento positivo in vari aspetti della nostra attività. Con un’infrastruttura migliorata e capacità potenziate, possiamo semplificare i nostri processi, ottimizzare l’utilizzo delle risorse ed elevare la qualità complessiva dei nostri servizi. Inoltre, fornendo un ambiente sicuro e favorevole per i nostri lavoratori, diamo loro la possibilità di svolgere i propri compiti con diligenza e dedizione.
Inoltre, la cucina rinnovata svolgerà un ruolo fondamentale nel promuovere un senso di sicurezza e stabilità tra i bambini affidati alle nostre cure. Garantendo l’accesso a pasti nutrienti preparati in un ambiente igienico, contribuiamo alla loro salute fisica e al loro benessere. Inoltre, le strutture migliorate della cucina ci consentiranno di espandere i nostri programmi educativi e professionali, offrendo preziose opportunità per lo sviluppo delle competenze e la crescita personale.
Mentre ci imbarchiamo in questo viaggio di trasformazione, riaffermiamo il nostro impegno a servire la nostra comunità con eccellenza e integrità.
Abbracciando il cambiamento e abbracciando l’innovazione, ci posizioniamo come leader nel campo del benessere dell’infanzia, creando un precedente che altri potranno seguire. Attraverso uno sforzo collettivo e una determinazione incrollabile, possiamo creare un futuro in cui ogni bambino abbia l’opportunità di prosperare e avere successo.
Considerate le evidenti problematiche di sicurezza e successivo benessere dei bambini, la ristrutturazione dei locali attuali (progetto iniziale) risulta non realizzabile.
Padre Casimir, direttore dell’Ambu Illam di Salem, ci ha proposto la costruzione di un nuovo edificio nella stessa area della cucina attuale. Con immensa gioia abbiamo accolto la sua richiesta con relativa variazione sulle spese di realizzazione.
Si rende quindi necessario stanziare un ulteriore fondo che passa dai precedenti € 15.914 agli attuali € 21.758.
Grazie a tutti i DONATORI!
Rocca di Papa, 24 maggio 2025
Un connubio di sapori, solidarietà e cultura ha preso vita con “Aspettando Degustando”, l’esclusiva serata di degustazione eno-gastronomica organizzata in collaborazione con Apis Onlus dal wine-writer Stefano Ronconi in una nuova formula e una nuova location.
L’evento, 11° edizione dal lontano 2004, ha avuto l’obiettivo nobile di raccogliere fondi per la costruzione di una nuova cucina destinata all’orfanotrofio per i bambini di Adivaram (Tamil Nadu).
Accolti e coccolati dalla ottima organizzazione di Enrico e Alessandra Fondi che hanno deliziato i loro ospiti con una selezione di eccellenze gastronomiche laziali, abbinate a vini pregiati, attentamente selezionati ed introdotti con maestria e competenza da Stefano Ronconi. La serata si è chiusa con un eccezionale abbinamento di dolci al cioccolato con il Sagrantino di Montefalco Passito offerto generosamente dalla cantina Antonelli di Montefalco.
Ringraziamo tutti i partecipanti per aver reso questa serata così speciale ed importante per il futuro di tanti bambini!
(foto)
Parrocchia di Santa Maria Assunta
Via Libero Testa 91 - Isernia
sabato 23 e domenica 24 novembre 2024
orario messe
_________________________
Sabato e domenica 23 e 24 novembre 2024 si è svolto a Isernia, presso la Parrocchia di Santa Maria Assunta, un mercatino natalizio della nostra Associazione per raccogliere fondi per la ristrutturazione della cucina per i 55 ragazzini orfani e semiorfani ospitati nell'ambu illamm (istituto per gli orfani) di Adivaram, a Salem.
L'organizzazione della nostra Erminia Testa, membro del comitato Apis, è stata ineccepibile e ci ha permesso di raccogliere numerosi consensi, simpatia e una buona vendita nell'area di fronte alla chiesa. Anche il parroco padre Berardino Di Silvio ha rinnovato la sua disponibilità ad accoglierci il prossimo anno.
Sete indiane ed oggetti di artigianato, tovagliette da tavolo, portaocchiali e portachiavi realizzati dalla sartoria delle donne di Dindigul, oltre che foulards di seta e di lana da Chennai, capitale dei tessuti pregiati, e tantissimi sacchettini di spezie (manufatti anch'essi di sartoria) hanno fruttato la considerevole somma di 1075 euro.
Grazie a tutti coloro che hanno partecipato!
Sono lieto di condividere un rapido aggiornamento sul progetto DBAI Adivaram Kitchen: sta procedendo senza intoppi e miriamo a completarlo entro aprile.
Oggi viene posato il cemento del tetto, segnando un’altra pietra miliare.
Noi Salesiani e i bambini siamo emozionati e profondamente grati per il vostro generoso sostegno, che rende tutto questo possibile. L’11, il nostro nuovo Provinciale, Rev. P. Doss Kennedy SDB, ha visitato il DBAI Adivaram. Ha apprezzato immensamente il progetto e ha ringraziato APIS a nome nostro.
Intestazione: Associazione Pro India del Sud (Onlus)
IBAN: IT09N0501803200000012422895
Causale: Una cucina per i ragazzi di Adivaram
Puoi utilizzare il tuo conto PayPal oppure la tua carta di credito senza conto PayPal
Creato da An:Ca © Copyright 2025 APIS India Onlus – ODV – Privacy Policy